努力加载中...
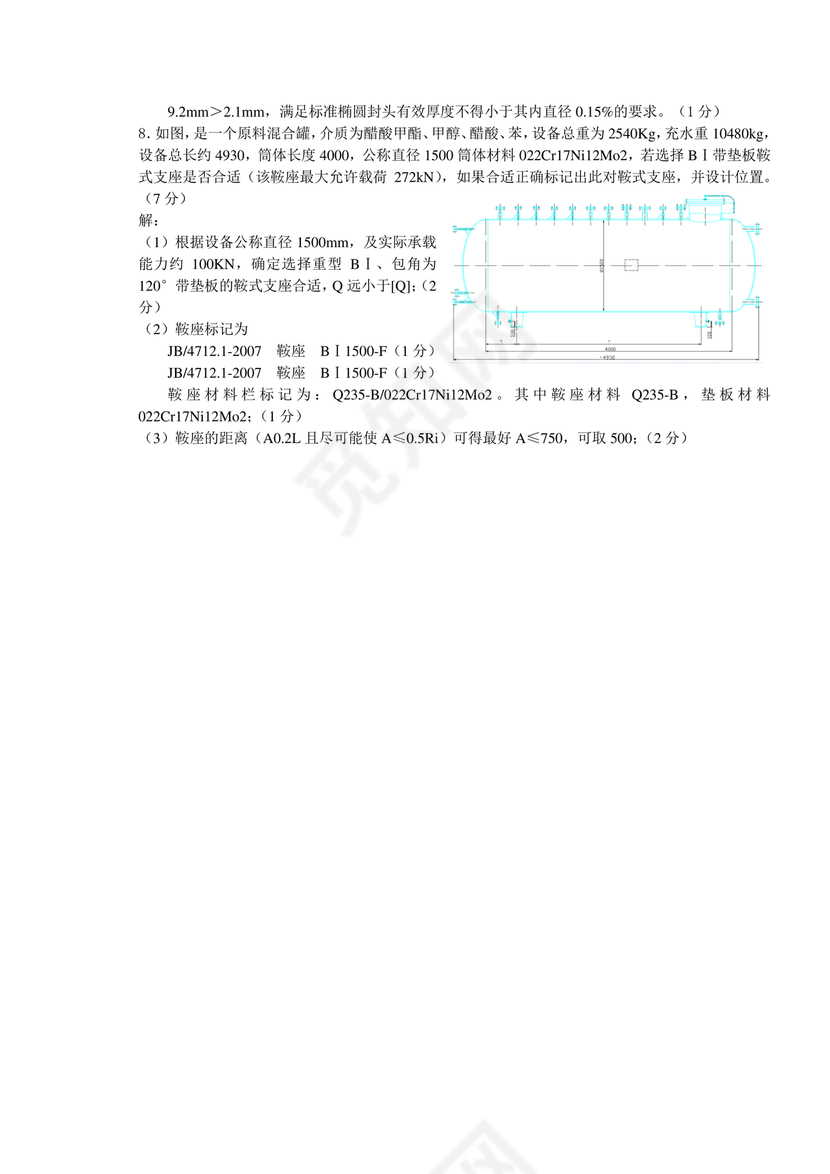
化工设备机械基础第三版答案
化工设备机械基础第三版答案
化工设备机械基础第三版答案
化工设备机械基础第三版答案
化工设备机械基础第三版答案
查看完整预览图
首页
收藏
下载源文件