努力加载中...
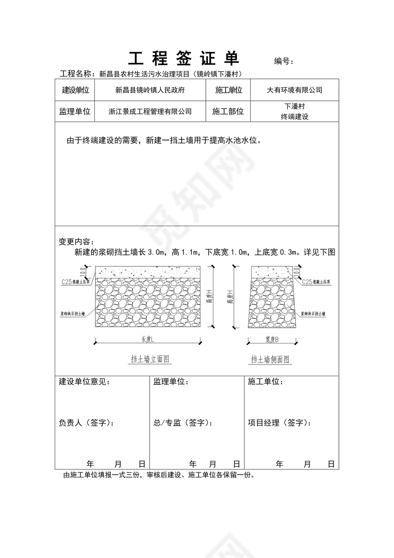
工程签证单范本
工程签证单范本
工程签证单范本
工程签证单范本
工程签证单范本
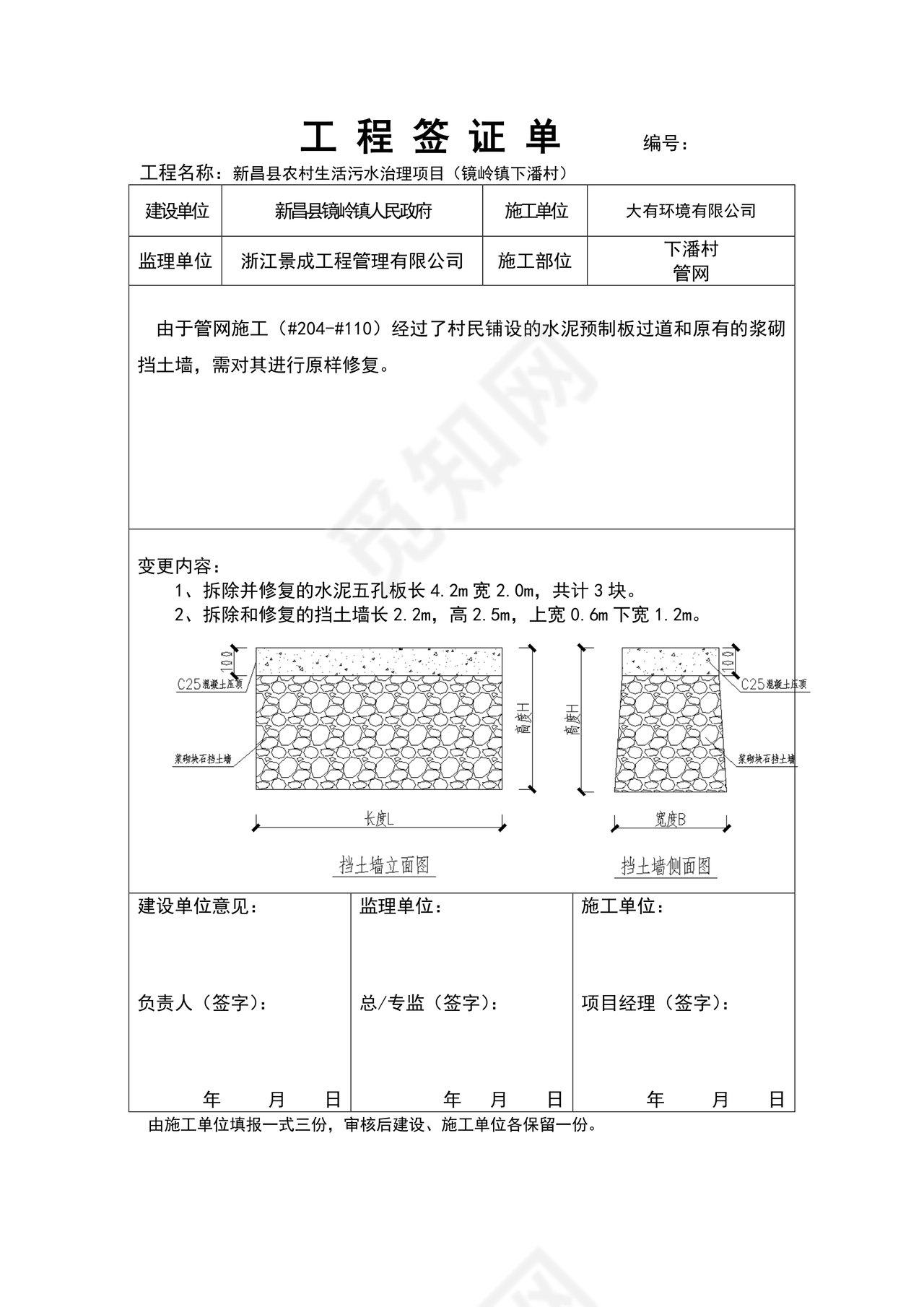
工程签证单范本
工程签证单范本
工程签证单范本
工程签证单范本
工程签证单范本
查看完整预览图
首页
收藏
下载源文件