努力加载中...
查看完整预览图
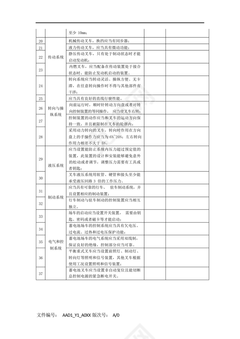
叉车安全专项检查表.docx
大小:61.19 KB / DOCX
叉车安全协议
安全防护专项施工方案
专项服务合同
叉车维修合同
专项督查方案
专项审计方案
专项培训协议
叉车出租合同
叉车租赁合同
专项施工方案
脚手架专项方案
叉车转让协议
二手叉车买卖合同
检查范文
专项治理工作总结
叉车安全检查表.doc
叉车安全检查表.doc
特种设备(叉车)安全检查表.docx
特种设备(叉车)安全检查表.docx
叉车安全检查表.doc
叉车安全检查表.doc
叉车定期安全检查表.docx
叉车定期安全检查表.docx
叉车安全检查表.doc
叉车安全检查表.doc
厂内机动车辆(叉车)安全检查表.docx
厂内机动车辆(叉车)安全检查表.docx
办公室消防安全专项检查表.docx
办公室消防安全专项检查表.docx
完整版-工厂车间安全检查表.docx
完整版-工厂车间安全检查表.docx
生产车间日常安全检查表.docx
生产车间日常安全检查表.docx
高处作业专项安全检查表.docx
高处作业专项安全检查表.docx
叉车安全检查表.doc
叉车安全检查表.doc
叉车安全检查表.docx
叉车安全检查表.docx
叉车安全检查表.doc
叉车安全检查表.doc
叉车安全检查表.docx
叉车安全检查表.docx
叉车安全检查表.docx
叉车安全检查表.docx
车辆安全检查表.docx
车辆安全检查表.docx
机械设备专项安全检查表.docx
机械设备专项安全检查表.docx
企业主要负责人履行安全生产职责专项检查表.docx
企业主要负责人履行安全生产职责专项检查表.docx
配电室及电气设备专项安全检查表.docx
配电室及电气设备专项安全检查表.docx
车辆安全检查表模板.docx
车辆安全检查表模板.docx
首页
收藏
下载源文件