努力加载中...
查看完整预览图
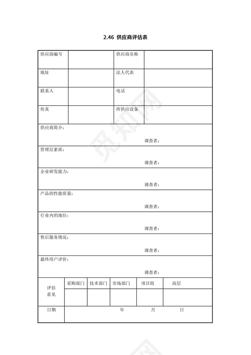
供应商评估表.doc
大小:238 KB / DOCX
供应商绩效评估
供应商评估流程图
供应商合同
供应商合作合同
供应商绩效管理
供应商赔偿协议
供应商安全协议
供应商供货合同
供应商保密协议
供应商采购合同
供应商服务合同
供应商绩效考核
供应商管理流程图
供应商绩效考核表
评估申请书
供应商管控《供应商调研表》《供货商调研评估表》《供应商资料卡》《供应商来料高质量状况月统计表》.doc
供应商管控《供应商调研表》《供货商调研评估表》《供应商资料卡》《供应商来料高质量状况月统计表》.doc
供应商评估流程
供应商评估流程
供应商调查评估表模板.docx
供应商调查评估表模板.docx
供应商调查表
供应商调查表
白色简洁供应商绩效考核表企业公司绩效考核模板
白色简洁供应商绩效考核表企业公司绩效考核模板
供应商合作协议书模板供应商战略合作协议供应商合作协议
供应商合作协议书模板供应商战略合作协议供应商合作协议
供应商合作协议
供应商合作协议
供应链-合格供应商管理流程
供应链-合格供应商管理流程
供应商管理流程
供应商管理流程
供应链-供应商管理流程图
供应链-供应商管理流程图
供应商管控《供应商调查表》《供货商调查评估表》《供应商资料卡.docx
供应商管控《供应商调查表》《供货商调查评估表》《供应商资料卡.docx
供应商绩效评估
供应商绩效评估
供应商调查评估表.doc
供应商调查评估表.doc
委托加工合同(OEM)-我方委托供应商生产加工
委托加工合同(OEM)-我方委托供应商生产加工
材料供应商合作协议
材料供应商合作协议
供应商管理控制流程图
供应商管理控制流程图
供应链管理-采购流程图
供应链管理-采购流程图
供应商供货框架协议
供应商供货框架协议
(完整版)供应商绩效考核表
(完整版)供应商绩效考核表
供应商供货协议
供应商供货协议
首页
收藏
下载源文件