努力加载中...
查看完整预览图
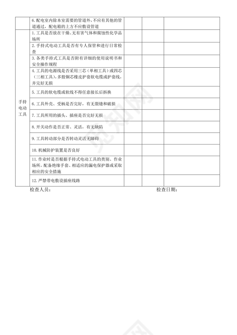
电气安全检查表.doc
大小:54 KB / DOCX
电气简历
电气安装合同
电气专业简历
检查范文
电气自动化简历
电气工程合同
电气工程师简历
电气安装施工合同
电气安装劳务合同
对照检查材料
电气工程施工合同
个人对照检查材料
建筑电气施工方案
工作检查书范文
电气工程师求职简历
配电室及电气设备专项安全检查表.docx
配电室及电气设备专项安全检查表.docx
电气线路安全自查检查表.docx
电气线路安全自查检查表.docx
餐厅电气、消防安全检查表.docx
餐厅电气、消防安全检查表.docx
电气设备安全检查表.doc
电气设备安全检查表.doc
电气安全检查表.doc
电气安全检查表.doc
水电气等安全检查表.doc
水电气等安全检查表.doc
电气设备安全检查表.docx
电气设备安全检查表.docx
电气设备安全检查表.docx
电气设备安全检查表.docx
-电气安全检查表.doc
-电气安全检查表.doc
电气线路安全检查表.doc
电气线路安全检查表.doc
电气专项安全检查表.doc
电气专项安全检查表.doc
电气安全检查表.doc
电气安全检查表.doc
电气线路火灾安全隐患检查表-.docx
电气线路火灾安全隐患检查表-.docx
电气安全检查表.docx
电气安全检查表.docx
电气设备安全技术专项检查表.docx
电气设备安全技术专项检查表.docx
企业安全管理检查表电气安全检查表.doc
企业安全管理检查表电气安全检查表.doc
电气设备安全检查表.docx
电气设备安全检查表.docx
电气设备安全检查表.doc
电气设备安全检查表.doc
电气安全检查表.doc
电气安全检查表.doc
水电气安全检查表.doc
水电气安全检查表.doc
首页
收藏
下载源文件