努力加载中...
查看完整预览图
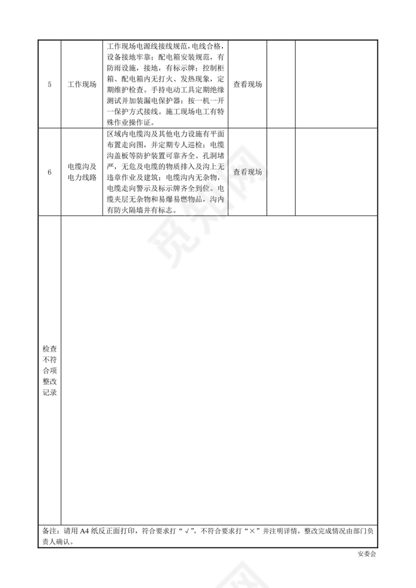
企业安全检查表一套(完整版本).doc
大小:276.17 KB / DOCX
企业安全协议
企业安全培训
企业安全文化
检查范文
相邻企业安全协议
检查书范文
企业安全文化建设
对照检查材料
工作检查书范文
个人对照检查材料
企业愿景
企业概况
企业介绍
企业信纸
企业简历
消防安全管理制度及应急预案消防应急预案
消防安全管理制度及应急预案消防应急预案
消防安全管理制度范文灭火和应急疏散预案
消防安全管理制度范文灭火和应急疏散预案
年网络安全监督检查自查工作总结
年网络安全监督检查自查工作总结
最新安全生产检查工作计划安全生产年度工作计划
最新安全生产检查工作计划安全生产年度工作计划
道路旅客运输企业车辆安全设施定期检查维护制度.docx
道路旅客运输企业车辆安全设施定期检查维护制度.docx
危险化学品重大危险源企业安全基础管理检查表.docx
危险化学品重大危险源企业安全基础管理检查表.docx
用气企业燃气安全检查表.docx
用气企业燃气安全检查表.docx
一般企业、办公楼消防安全专项检查表.doc
一般企业、办公楼消防安全专项检查表.doc
危险化学品企业安全检查表.doc
危险化学品企业安全检查表.doc
消防安全管理制度和灭火和应急疏散预案
消防安全管理制度和灭火和应急疏散预案
乡镇企业安全生产检查整改工作汇报
乡镇企业安全生产检查整改工作汇报
企业工厂日常巡查安全检查表.docx
企业工厂日常巡查安全检查表.docx
工业企业环境安全隐患大排查检查表.docx
工业企业环境安全隐患大排查检查表.docx
企业主要负责人履行安全生产职责专项检查表.docx
企业主要负责人履行安全生产职责专项检查表.docx
防雷防静电措施安全检查表应急预案企业管理安全生产规范化安全制度安全管理台账.docx
防雷防静电措施安全检查表应急预案企业管理安全生产规范化安全制度安全管理台账.docx
春节后企业复工复产安全生产检查表-.docx
春节后企业复工复产安全生产检查表-.docx
企业复工复产安全检查表大全-.docx
企业复工复产安全检查表大全-.docx
工贸行业企业安全生产检查表.docx
工贸行业企业安全生产检查表.docx
工贸企业企业的安全检查表.doc
工贸企业企业的安全检查表.doc
企业安全检查表.doc
企业安全检查表.doc
首页
收藏
下载源文件