努力加载中...
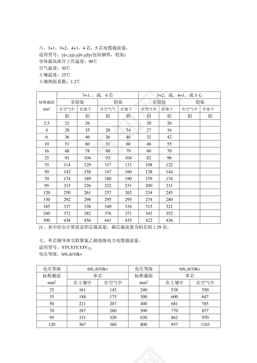
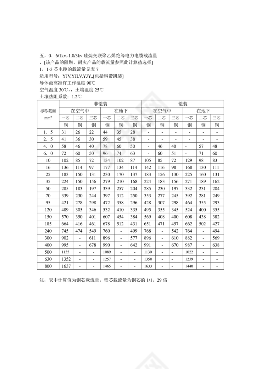
电缆载流量对照表
电缆载流量对照表
电缆载流量对照表
电缆载流量对照表
电缆载流量对照表
电缆载流量对照表
电缆载流量对照表
电缆载流量对照表
电缆载流量对照表
电缆载流量对照表
查看完整预览图
首页
收藏
下载源文件