努力加载中...
查看完整预览图
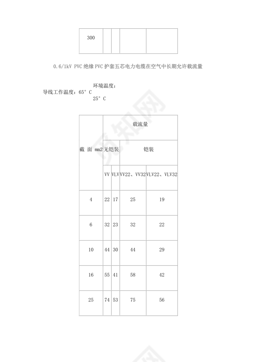
电缆载流量对照表
大小:0 B / DOCX
电线电缆购销合同
对照检查材料
中英对照简历
中英文对照简历
电缆施工合同
个人对照检查材料
电缆购销合同
电缆安装合同
电缆买卖合同
电线安装合同
电线购销合同
安装电线合同
电线买卖合同
办公服务合同
吊车服务合同
电缆载流量对照表
电缆载流量对照表
电缆载流量对照表
电缆载流量对照表
电缆载流量对照表
电缆载流量对照表
电缆载流量对照表
电缆载流量对照表
霍兰德职业兴趣测试量表及测试结果对照表
霍兰德职业兴趣测试量表及测试结果对照表
潘通色卡色号对照表电子版
潘通色卡色号对照表电子版
潘通色卡色号对照表电子版
潘通色卡色号对照表电子版
霍兰德职业兴趣测试量表及测试结果对照表word模板
霍兰德职业兴趣测试量表及测试结果对照表word模板
主题教育专题组织生活会党支部班子对照检查材料
主题教育专题组织生活会党支部班子对照检查材料
英语音标及字母组合对照表
英语音标及字母组合对照表
电缆载流量对照表
电缆载流量对照表
电缆载流量对照表
电缆载流量对照表
电缆载流量对照表
电缆载流量对照表
电缆载流量对照表
电缆载流量对照表
潘通色卡色号对照表电子版
潘通色卡色号对照表电子版
潘通色卡色号对照表电子版
潘通色卡色号对照表电子版
色卡色号对照表
色卡色号对照表
理论学习、政治素质、能力本领、担当作为、工作作风、廉洁自律等“六个方面”存在的突出问题个人对照检视剖析材料(共16篇).docx
理论学习、政治素质、能力本领、担当作为、工作作风、廉洁自律等“六个方面”存在的突出问题个人对照检视剖析材料(共16篇).docx
公司主题教育组织生活会支部班子对照检查材料(企业,检视剖析,六个方面剖析发言提纲).docx
公司主题教育组织生活会支部班子对照检查材料(企业,检视剖析,六个方面剖析发言提纲).docx
四个检视:2024年围绕“检视党性修养提高情况,看自身在坚定理想信念、强化对党忠诚、弘扬优良传统、保持政治本色等方面还存在哪些差距和不足”等方面对照检查材料2篇文.docx
四个检视:2024年围绕“检视党性修养提高情况,看自身在坚定理想信念、强化对党忠诚、弘扬优良传统、保持政治本色等方面还存在哪些差距和不足”等方面对照检查材料2篇文.docx
首页
收藏
下载源文件